energy motor wiring diagram fog lights

SW-EM Headlight Notes. 15 Pictures about SW-EM Headlight Notes : Piaa Fog Light Wiring Diagram, fog light wiring diagram - Yahoo Search Results Yahoo Canada Image and also Piaa Fog Light Wiring Diagram.

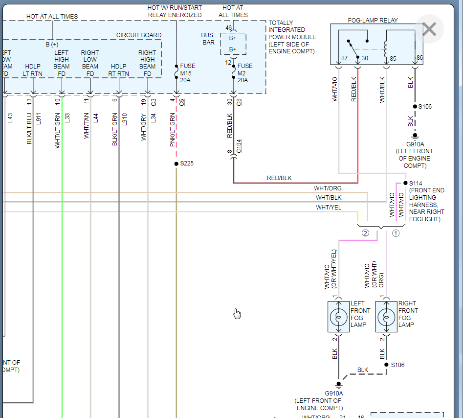
SW-EM Headlight Notes

SW-EM Headlight Notes sw-em.com

wiring headlight notes fog spot control light sw em switching disconnected suggested automatic again yellow diagram

AAMIDIS.blogspot.com: Rear Fog Lamp Wiring Diagram

AAMIDIS.blogspot.com: Rear Fog Lamp Wiring Diagram aamidis.blogspot.com

lamp aamidis mgb

HID Kits LED Lighting Solar Panels Motorcycle Stands Tools - GENSSI

HID Kits LED Lighting Solar Panels Motorcycle Stands Tools - GENSSI genssi.com

motorcycle genssi parts led categories solar

Circuit Design - How To Add Second, Lower Power Source To Car Fog Light

circuit design - How to add second, lower power source to car fog light electronics.stackexchange.com

fog lower second source power light circuit

Fog Lamps Wiring Diagram: Hello, I Would Like To Add DRL LED Lamps...

Fog Lamps Wiring Diagram: Hello, I Would Like to Add DRL LED Lamps... www.2carpros.com

lamps fog wiring diagram enlarge

Exterior Relays For Cars, Trucks & SUVs

Exterior Relays for Cars, Trucks & SUVs www.autozone.com

relay starter relays toyota corolla exterior circuit opening parts autozone

Piaa Fog Light Wiring Diagram

Piaa Fog Light Wiring Diagram diagramweb.net

piaa fog pace bedlocker relay clubfrontier

Off Road Lights Wiring Diagram | Alternate Com | Pinterest | Lights And

Off road lights wiring diagram | Alternate Com | Pinterest | Lights and www.pinterest.com

wiring diagram light lights road

Repair Diagrams For 1996 Chevrolet Blazer Engine, Transmission

Repair Diagrams for 1996 Chevrolet Blazer Engine, Transmission www.automotix.net

blazer 1996 chevrolet wiring diagram v6 gas diagrams repair

64 Chevy C10 Wiring Diagram | Chevy Truck Wiring Diagram | 64 Chevy

64 chevy c10 wiring diagram | Chevy Truck Wiring Diagram | 64 Chevy www.pinterest.com

door power locks wiring lock chevy electronics system truck diagram electrical diagrama electric c10 cars trucks projects motor relay electronic

Custom Fog Light Wiring (write Up Coming Soon)

Custom Fog Light Wiring (write up coming soon) www.wrxforums.com

fog wiring light soon write coming custom lights parking

Repair Diagrams For 1996 Chevrolet Blazer Engine, Transmission

Repair Diagrams for 1996 Chevrolet Blazer Engine, Transmission www.automotix.net

blazer 1996 chevrolet wiring diagram v6 gas diagrams repair

Fog Light Wiring Diagram - Yahoo Search Results Yahoo Canada Image

fog light wiring diagram - Yahoo Search Results Yahoo Canada Image www.pinterest.com

wiring fog diagram light lights driving switch wire vw installation boat electrical beetle diagrams 2005 yahoo electric 1968

Fog-Light-Wiring-Diagram | Mike Farrenkopf | Flickr

Fog-Light-Wiring-Diagram | Mike Farrenkopf | Flickr www.flickr.com

Repair Diagrams For 1994 Oldsmobile Cutlass Supreme Engine

Repair Diagrams for 1994 Oldsmobile Cutlass Supreme Engine www.automotix.net

cutlass oldsmobile supreme 1994 wiring diagram v6 gas diagrams repair

Wiring diagram light lights road. Wiring headlight notes fog spot control light sw em switching disconnected suggested automatic again yellow diagram. Repair diagrams for 1996 chevrolet blazer engine, transmission