engine diagram 2003 envoy

Wiring Diagram 2003 Denali | Latest Gallery Photo with regard to 2003. 18 Pics about Wiring Diagram 2003 Denali | Latest Gallery Photo with regard to 2003 : 2003 Gmc Envoy Engine Diagram - Cars Wiring Diagram, 2002 Gmc Envoy Firing Order Diagram and also Im trying to hook up an aftermarket radio in my 2003 gmc envoy slt. i.

Wiring Diagram 2003 Denali | Latest Gallery Photo With Regard To 2003

Wiring Diagram 2003 Denali | Latest Gallery Photo with regard to 2003 carpny.org

envoy 2003 denali trailblazer regard pertaining

2003 Trailblazer Heater Hose Diagram - Atkinsjewelry

2003 Trailblazer Heater Hose Diagram - Atkinsjewelry atkinsjewelry.blogspot.com

trailblazer p0410 troubleshooting

2002 Gmc Envoy Firing Order Diagram

2002 Gmc Envoy Firing Order Diagram schematron.org

trailblazer envoy spark obd2

04 Envoy Fuse Box Diagram | Wire

04 Envoy Fuse Box Diagram | Wire tinyjudson.blogspot.com

suburban envoy fuses

Im Trying To Hook Up An Aftermarket Radio In My 2003 Gmc Envoy Slt. I

Im trying to hook up an aftermarket radio in my 2003 gmc envoy slt. i www.justanswer.com

envoy 2003 radio gmc slt factory aftermarket hook wire harness

Repair Guides

Repair Guides www.autozone.com

Engine Replacement Instructions Please?: Vehicle Is In Need Of

Engine Replacement Instructions Please?: Vehicle Is in Need of www.2carpros.com

Engine

Engine www.mazdabg.com

engine typically removed removal external components fig mazda

Read Online 2003 Gmc Envoy Bose Radio Wiring Diagram

Read Online 2003 Gmc Envoy Bose Radio Wiring Diagram arkansas-zl1403.changeip.co

sierra envoy fuse stereo schematic 2006 chilton focus bose justanswer impala schematics

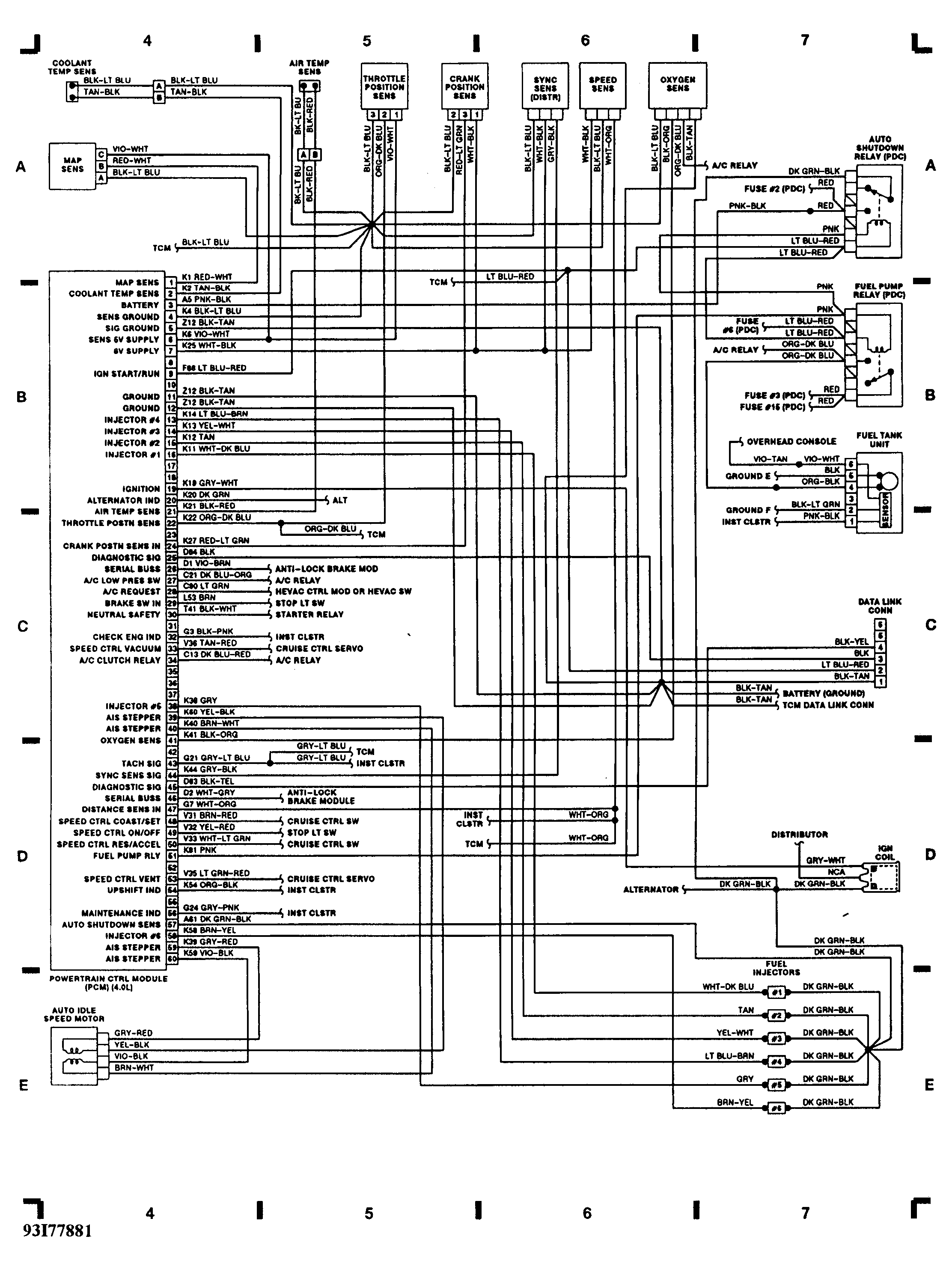
2003 Gmc Envoy Engine Diagram - Cars Wiring Diagram

2003 Gmc Envoy Engine Diagram - Cars Wiring Diagram yosalsero.blogspot.com

Engine Not Starting Up?: Bought This Vehicle From, Page 3

Engine Not Starting Up?: Bought This Vehicle From, Page 3 www.2carpros.com

Solution For:"Where Is The Engine Coolant..." - Fixya

Solution for:"Where is the engine coolant..." - Fixya www.fixya.com

sensor coolant engine gmc envoy temp where location thermostat 2004 fixya replace

Engine In, Cranks But No Start

Engine in, Cranks but no Start www.modularfords.com

vacuum engine dohc schematic diagram mustang 1997 hose ford 1996 cranks start 6l diagrams fig autozone repair 1998 grand am

Repair Guides

Repair Guides www.autozone.com

engine system subaru repair brat modification guide fig 1800 component locations 1984

Chevrolet V6 Engine Diagram - Wiring Diagram

Chevrolet V6 Engine Diagram - Wiring Diagram cars-trucks24.blogspot.com

vvt vortec asm manifolds z28 2u manifold epc

30 2005 Chevy Trailblazer Parts Diagram - Wiring Diagram Database

30 2005 Chevy Trailblazer Parts Diagram - Wiring Diagram Database kovodym.blogspot.com

trailblazer

03 Gmc Envoy Engine Diagram - Wiring Diagram Schemas

03 Gmc Envoy Engine Diagram - Wiring Diagram Schemas sightronscopes.blogspot.com

rocker firing lubrication envoy 1948

Gmc Envoy Engine Diagram - Pemathinlee

Gmc Envoy Engine Diagram - pemathinlee pemathinlee.blogspot.com

envoy solenoid purge

Trailblazer p0410 troubleshooting. 2003 gmc envoy engine diagram. 03 gmc envoy engine diagram