engine harness wiring dia

2003-2009 Topkick Kodiak C4500-C8500 Charcoal Canister Emission System. 11 Pics about 2003-2009 Topkick Kodiak C4500-C8500 Charcoal Canister Emission System : Engine Wiring Harness Swap: Hello Sir, Out of Desperation I Picked..., 6.5 Diesel Wiring Diagram Starter Solenoid Schematics and also 01-09 Topkick/Kodiak/Isuzu T6500-T8500 Hydraulic Clutch Slave Cylinder.

2003-2009 Topkick Kodiak C4500-C8500 Charcoal Canister Emission System

2003-2009 Topkick Kodiak C4500-C8500 Charcoal Canister Emission System www.factoryoemparts.com

[AZ_7540] Ktm 300 Xc W Wiring Diagram Schematic Wiring

[AZ_7540] Ktm 300 Xc W Wiring Diagram Schematic Wiring rally.impa.rele.pap.hendil.mohammedshrine.org

xc fuse imageservice

625i Xuv Engine Electrical Connections - John Deere Gator Forums

625i xuv engine electrical connections - John Deere Gator Forums www.gatorforums.net

deere wiring gator diagram john 625i electrical xuv schematic engine 620i fuse 6x4 tx connections box hpx ignition hxp example

19 Inspirational Kubota Rtv 1100 Wiring Diagram

19 Inspirational Kubota Rtv 1100 Wiring Diagram bosco-mylove.blogspot.com

kubota rtv wiring 1100 diagram

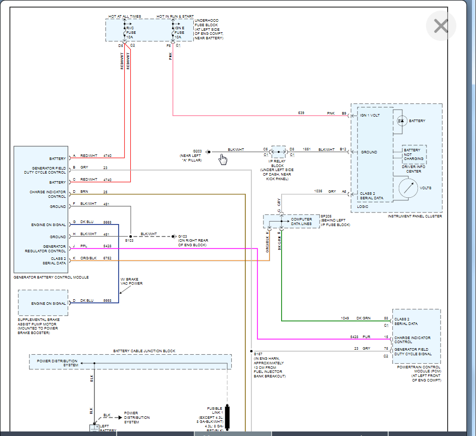
Mazda 3 Alternator Wiring Diagram

Mazda 3 Alternator Wiring Diagram www.chanish.org

hotpursuit

Engine Wiring Harness Swap: Hello Sir, Out Of Desperation I Picked...

Engine Wiring Harness Swap: Hello Sir, Out of Desperation I Picked... www.2carpros.com

Engine Wiring Harness - Home | Facebook

Engine Wiring Harness - Home | Facebook www.facebook.com

engine harness wiring

| Repair Guides | Electronic Engine Controls | Crankshaft Position (ckp

| Repair Guides | Electronic Engine Controls | Crankshaft Position (ckp www.autozone.com

crankshaft sensor position hyundai schematic ckp accent engine replace 1998 autozone fig electronic engines late voltage

6.5 Diesel Wiring Diagram Starter Solenoid Schematics

6.5 Diesel Wiring Diagram Starter Solenoid Schematics wiringall.com

wiring starter rodeo solenoid schematics navara serpentine nrr d40 headligth schematron mux nqr detoxicrecenze needs untpikapps aisin 3l kontak genset

01-09 Topkick/Kodiak/Isuzu T6500-T8500 Hydraulic Clutch Slave Cylinder

01-09 Topkick/Kodiak/Isuzu T6500-T8500 Hydraulic Clutch Slave Cylinder www.factoryoemparts.com

Kenwood Dpx503bt Wiring Diagram - ORI-FUN-COSMETICS

Kenwood Dpx503bt Wiring Diagram - ORI-FUN-COSMETICS ori-fun-cosmetics.blogspot.com

diagram stereo pngitem database schematic

Kubota rtv wiring 1100 diagram. Xc fuse imageservice. 625i xuv engine electrical connections