evo 8 headlight wiring diagram

Evo 8 wiring harness diagram? - evolutionm.net. 15 Pics about Evo 8 wiring harness diagram? - evolutionm.net : 53 Evo 8 Wiring Harness - Wiring Diagram Plan, Evo 8 wiring harness diagram? - evolutionm.net and also hid wiring for an evo 5 bit of help please! - Mitsubishi Lancer.

Evo 8 Wiring Harness Diagram? - Evolutionm.net

Evo 8 wiring harness diagram? - evolutionm.net www.evolutionm.net

evo harness wiring diagram evolutionm

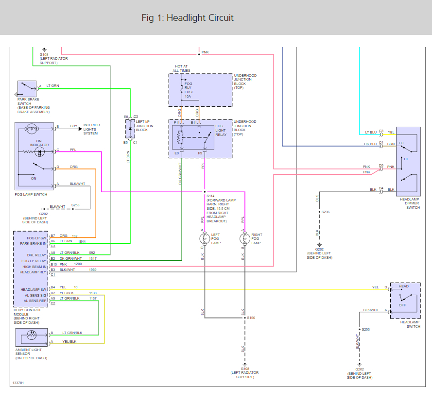
Hid Wiring For An Evo 5 Bit Of Help Please! - Mitsubishi Lancer

hid wiring for an evo 5 bit of help please! - Mitsubishi Lancer www.lancerregister.com

hid raph

Chrysler Radio Wiring Diagram

Chrysler Radio Wiring Diagram prsteyer.blogspot.com

uconnect

Basic Headlight Wiring Diagram Motorcycle - Wiring Diagram Schema

Basic Headlight Wiring Diagram Motorcycle - Wiring Diagram Schema wiring88.blogspot.com

Accessories

Accessories www.easternbeaver.com

accessories headlight wr250r existing relay bolts bolted h4 relays tight above kit wiring easternbeaver

Headlights, Taillights, And Backup Lights Upgrade - Wanderlodge Owners

Headlights, Taillights, and Backup Lights Upgrade - Wanderlodge Owners www.wanderlodgeownersgroup.com

headlight wiring diagram headlights lights bosch backup relay upgrade stephen thanks taillights relays circuit

Kium Pride Gtx Engine Diagram - Fuse & Wiring Diagram

Kium Pride Gtx Engine Diagram - Fuse & Wiring Diagram fusewiring.blogspot.com

pride kium cooling

2002 Mitsubishi Lancer Fuse Box Diagram / 2002 Mitsubishi Diamante Fuse

2002 Mitsubishi Lancer Fuse Box Diagram / 2002 Mitsubishi Diamante Fuse schematica71.blogspot.com

mitsubishi galant justanswer schematron

Automatic Headlights Not Working: My Automatic Headlights Will Not...

Automatic Headlights Not Working: My Automatic Headlights Will Not... www.2carpros.com

headlights automatic working

8-coil Vs 11-coil Stator.....differences?

8-coil vs 11-coil stator.....differences? scootdawg.proboards.com

stator bluefront

1999 Sportster Wiring Diagram - Wiring Diagram And Schematic

1999 Sportster Wiring Diagram - Wiring Diagram and Schematic wiring.hpricorpcom.com

sportster piacenziano schema

How To: HID Install W/ Harness - EvolutionM - Mitsubishi Lancer And

How To: HID Install w/ Harness - EvolutionM - Mitsubishi Lancer and www.evolutionm.net

hid harness install lancer evolutionm nearby floating wiring around want don

53 Evo 8 Wiring Harness - Wiring Diagram Plan

53 Evo 8 Wiring Harness - Wiring Diagram Plan rebablakuf.blogspot.com

evolutionm

Mitsubishi Starion Engine Diagram

Mitsubishi Starion Engine Diagram hestiahelper.blogspot.com

starion wiring

EVO Project Wiring… – Sportster Project

EVO Project Wiring… – Sportster Project www.sportsterproject.com

wiring project evo wired signals turn even well

Mitsubishi starion engine diagram. 8-coil vs 11-coil stator.....differences?. Wiring project evo wired signals turn even well