explorer alternator wiring diagram

Ford Explorer Alternator Wiring Diagram. 17 Pics about Ford Explorer Alternator Wiring Diagram : Ford Explorer Alternator Wiring Diagram, Wiring Diagram For 57 Thunderbird | schematic and wiring diagram in and also | Repair Guides | Wiring Diagrams | Wiring Diagrams | AutoZone.com.

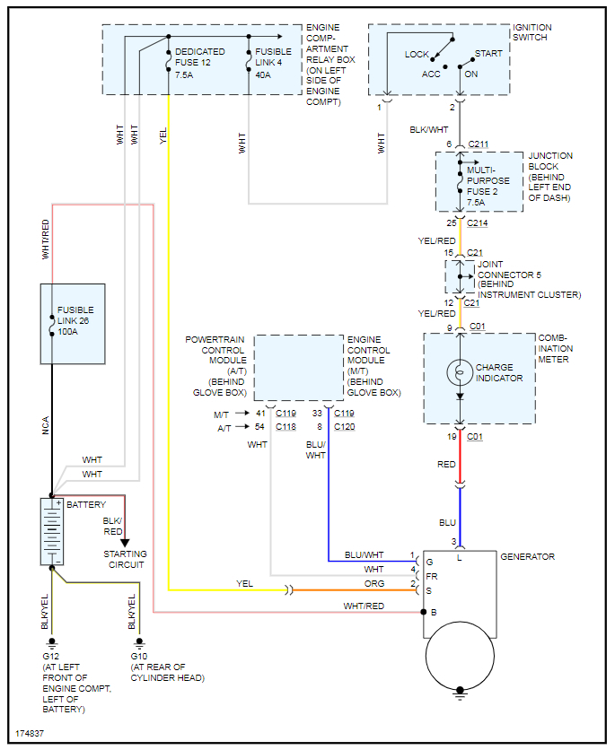
Ford Explorer Alternator Wiring Diagram

Ford Explorer Alternator Wiring Diagram prsteyer.blogspot.com

alternator

Alternator Wiring

Alternator wiring www.ficmrepair.com

alternator wire

Ford Ranger 4 0 Engine Diagram - Wiring Diagram

Ford Ranger 4 0 Engine Diagram - Wiring Diagram cars-trucks24.blogspot.com

ranger ford diagram wiring engine ground 2006 wire fuel pump 2005 motor mustang ac sohc system liter electrical 2004 blower

Alternator Wiring Diagram Marine

Alternator Wiring Diagram Marine strawberry-sweet.blogspot.com

fetch wiring diagram marine alternator source strawberry sweet

Alternator Wiring Diagram?: I Got In My Truck And The Car Charger

Alternator Wiring Diagram?: I Got in My Truck and the Car Charger www.2carpros.com

Wiring Diagram For 57 Thunderbird | Schematic And Wiring Diagram In

Wiring Diagram For 57 Thunderbird | schematic and wiring diagram in www.pinterest.com

jubilee anglia 2600 schematron backhoe 555d naa schematics mecanica automotriz joun wiringall powerstroke truk automotive taurus esquema decoder miniatur eletrico

45 3g Alternator Wiring Kit - Wiring Diagram Source Online

45 3g Alternator Wiring Kit - Wiring Diagram Source Online apiccolisogni.blogspot.com

bronco

Alternator Wiring: Ok So I Bought A New Alternator For My 2003

Alternator Wiring: Ok so I Bought a New Alternator for My 2003 www.2carpros.com

Externally Regulated Alternator Help Needed - The Stovebolt Forums

externally regulated alternator help needed - The Stovebolt Forums www.stovebolt.com

wiring diagram alternator rod chevy ford diagrams diesel regulator wire schematic 2001 1971 pertaining tractor externally regulated needed help re

| Repair Guides | Wiring Diagrams | Wiring Diagrams | AutoZone.com

| Repair Guides | Wiring Diagrams | Wiring Diagrams | AutoZone.com www.autozone.com

wiring diagrams alternator dodge autozone repair fig starter 1976 volare vehicles 1980

(PDF) WIRING DIAGRAMS Fig. 1: Wiring Diagram (Camry 2.0L) 1991 Toyota

(PDF) WIRING DIAGRAMS Fig. 1: Wiring Diagram (Camry 2.0L) 1991 Toyota www.academia.edu

Boyer Bransden Power Box Wiring Diagram

Boyer Bransden Power Box Wiring Diagram wiringall.com

wiring boyer bransden mkiii icm britts installing nortons coils bonneville rectifier cylinder wiringall t140 capacitor pbox

2004 Ford Ranger Wiring Diagram

2004 Ford Ranger Wiring Diagram www.chanish.org

f250 f150forum qualifying

| Repair Guides | Wiring Diagrams | Wiring Diagrams | AutoZone.com

| Repair Guides | Wiring Diagrams | Wiring Diagrams | AutoZone.com www.autozone.com

wiring alternator dodge 1980 diagrams autozone repair fig 1976 vehicles

Throttle Position Sensor 1994 Mustang Wiring Diagram | Schematic And

Throttle Position Sensor 1994 Mustang Wiring Diagram | schematic and schematicandwiringdiagram.blogspot.com

pinout amplifier throttle schematic

2004 Ford Ranger Wiring Diagram

2004 Ford Ranger Wiring Diagram www.chanish.org

ranger radio window

Alternator Wiring Diagram: Hi, I Am Replacing The Alternator On My...

Alternator Wiring Diagram: Hi, I Am Replacing the Alternator on My... www.2carpros.com

alternator wiring diagram

Ranger radio window. Alternator wiring: ok so i bought a new alternator for my 2003. 45 3g alternator wiring kit