ez wiring 21 circuit harness starter

Ez Wiring 21 Circuit Harnes - Wiring Diagram & Schemas. 16 Pictures about Ez Wiring 21 Circuit Harnes - Wiring Diagram & Schemas : Ez Wiring 21 Circuit Harness Instructions, [DIAGRAM] Ez Wiring 21 Circuit Wiring Harness Ez21 With Standard Fuses and also Ez Wiring 21 Circuit Harnes - Wiring Diagram & Schemas.

Ez Wiring 21 Circuit Harnes - Wiring Diagram & Schemas

Ez Wiring 21 Circuit Harnes - Wiring Diagram & Schemas wiringideas.blogspot.com

wiring ez diagram circuit ignition pole switch harnes standard

[DIAGRAM] Ez Wiring 21 Circuit Wiring Harness Ez21 With Standard Fuses

[DIAGRAM] Ez Wiring 21 Circuit Wiring Harness Ez21 With Standard Fuses listedelivres.linejacques.fr

wiring fuses ez21

12 Standard Ez Wiring Harness Diagram - Wiring Manual PDF

12 Standard Ez Wiring Harness Diagram - Wiring Manual PDF wiringmanualpdf.blogspot.com

ignition

Ez Wiring 21 Circuit Harness Instructions

Ez Wiring 21 Circuit Harness Instructions savvysoles.com

hotrods wires rewire

EZ Wiring

EZ Wiring www.hotrodhotline.com

1077 switches call order picture1 hotrodhotline pr 2009

1972 Datsun 510 Wiring Diagram

1972 Datsun 510 Wiring Diagram www.chanish.org

datsun 240z b210 1979 280zx chanish

Ez Wiring 21 Circuit Harnes - Wiring Diagram & Schemas

Ez Wiring 21 Circuit Harnes - Wiring Diagram & Schemas wiringideas.blogspot.com

wiring ez circuit harnes harness 17b easier chevy

Ez Wiring 21 Circuit Harnes - Wiring Diagram & Schemas

Ez Wiring 21 Circuit Harnes - Wiring Diagram & Schemas wiringideas.blogspot.com

harness circuit wiring ez universal instructions diagram team wire performance kit harnes muscle standard door silverado parts wrg starter

Ez Wiring 21 Circuit Harness Diagram | Wiring Diagram

Ez Wiring 21 Circuit Harness Diagram | Wiring Diagram annawiringdiagram.com

Ez Wiring Harnes Diagram Cj 5 - Wiring Diagram & Schemas

Ez Wiring Harnes Diagram Cj 5 - Wiring Diagram & Schemas wiringideas.blogspot.com

wiring diagram ez light vw cj2a cj harnes mitsubishi tail route hp century pool

Custom Wiring Harness Gutting | YFZ Central

Custom Wiring Harness Gutting | YFZ Central www.yfzcentral.com

gutting

Ez Wiring 21 Circuit Harnes - Wiring Diagram & Schemas

Ez Wiring 21 Circuit Harnes - Wiring Diagram & Schemas wiringideas.blogspot.com

wiring ez circuit mini harness diagram kit harnes fuse issue library

[DIAGRAM] 04 Chevy Silverado Wiring Diagram FULL Version HD Quality

[DIAGRAM] 04 Chevy Silverado Wiring Diagram FULL Version HD Quality lovediagram.urbaningenierie.fr

wiring chevy u0026 installing brakes justanswer

Ez Wiring 21 Circuit Harness Diagram | Boat Wiring, Diagram, Electrical

Ez Wiring 21 Circuit Harness Diagram | Boat wiring, Diagram, Electrical www.pinterest.com

wiring diagram ford radio transit circuit harness econoline ez stereo signal turn diagrams battery connect lpg odyssey honda 2006 dual

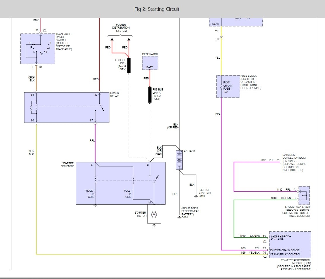
Starter Wiring Harness: Problems With Reminder Where Wires Go?

Starter Wiring Harness: Problems with Reminder Where Wires Go? www.2carpros.com

harness starter wiring sponsored links

1972 Datsun 510 Wiring Diagram

1972 Datsun 510 Wiring Diagram www.chanish.org

datsun harnes 280z

Wiring ez diagram circuit ignition pole switch harnes standard. Wiring diagram ford radio transit circuit harness econoline ez stereo signal turn diagrams battery connect lpg odyssey honda 2006 dual. Harness circuit wiring ez universal instructions diagram team wire performance kit harnes muscle standard door silverado parts wrg starter