fahrenheit wiring diagram

How to Switch Your Ceiling Fan in Winter. 16 Pics about How to Switch Your Ceiling Fan in Winter : Fahrenheat Thermostat Wiring Diagram, Fahrenheat Heaters Wiring Diagram and also Fahrenheat Heaters Wiring Diagram.

How To Switch Your Ceiling Fan In Winter

How to Switch Your Ceiling Fan in Winter ask-the-electrician.com

ceiling fan winter heat fans direction air airflow diagram cool weather cold reverse switch

07 Vw Rabbit Owners Manual

07 Vw Rabbit Owners Manual liderancaportista.blogspot.com

gti mk5 mk1 blower polo fsi farm2 imageservice

Fahrenheat Thermostat Wiring Diagram

Fahrenheat Thermostat Wiring Diagram schematron.org

thermostat baseboard voltage fahrenheat heaters chart immersion

Testing And Measurement – Page 19 – Electronic Circuit Diagram

Testing and Measurement – Page 19 – Electronic Circuit Diagram freecircuitdiagram.com

thermometer lm35 temperature sensor ic fahrenheit millivolt 2008 using circuits voltmeter august diagram gr circuit

TemperatureMeasurement‬ Circuit Describes The Process Of Measuring A

TemperatureMeasurement‬ circuit describes the process of measuring a www.pinterest.com

I Cannot Seem To Wire My Modulating Rheem Hc-tst412mdms Thermostat To

I cannot seem to wire my modulating rheem hc-tst412mdms thermostat to www.justanswer.com

thermostat rheem furnace wire modulating seem hc cannot replied ago years prestige customer justanswer

Santon Fixed Temperature Immersion Thermostat | DIYnot Forums

Santon fixed temperature immersion thermostat | DIYnot Forums www.diynot.com

immersion thermostat fixed santon temperature heater diynot

ESP8266 DS18B20 Sensor Web Server Arduino IDE (Single, Multiple

ESP8266 DS18B20 Sensor Web Server Arduino IDE (Single, Multiple randomnerdtutorials.com

esp8266 esp32 multiple temperature arduino sensor ide server web micropython wiring code single diagram schematic

Temperature Reference ~ Electronic Circuits

Temperature Reference ~ electronic circuits circuit-electronic-models.blogspot.com

temperature reference circuit electronic diagram circuits

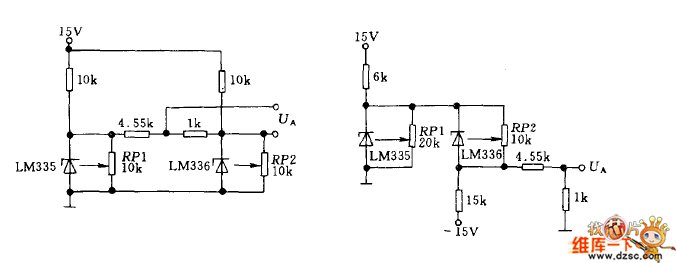
Fahrenheit Scale Circuit Diagram - Temperature_Sensor - Sensor_Circuit

Fahrenheit scale circuit diagram - Temperature_Sensor - Sensor_Circuit www.seekic.com

circuit diagram fahrenheit scale seekic sensor below

Rtd Pt100 Resistance Table Fahrenheit | Www.microfinanceindia.org

Rtd Pt100 Resistance Table Fahrenheit | www.microfinanceindia.org www.microfinanceindia.org

pt100 rtd fahrenheit brokeasshome cropico measurement celsius ºc humidity

Fahrenheat Heaters Wiring Diagram

Fahrenheat Heaters Wiring Diagram schematron.org

wiring heaters fahrenheat diagram knockouts convenient baseboard each end easy

Constant Temperature Circuit | Technology Talk

Constant Temperature Circuit | Technology Talk www.techatalk.com

theory

Therma-Flow Inc

Therma-Flow Inc www.tfi-everhot.com

water storage booster diagram piping tanks wb lined glass

AVIASPORT ROTAX 503-582 DUCATI IGNITION TACHOMETER - 2 1/4 IN

AVIASPORT ROTAX 503-582 DUCATI IGNITION TACHOMETER - 2 1/4 IN www.cps-parts.com

rotax 503 tachometer 582 ignition ducati wiring diagram rpm cps pilotshop catalog power pulses 57mm 8000rpm diameter turn range parts

30 Electric Temperature Gauge Wiring Diagram - Free Wiring Diagram Source

30 Electric Temperature Gauge Wiring Diagram - Free Wiring Diagram Source mickygurlz.blogspot.com

wiring temperature gauge vdo diagram electric oil light pressure instruments diagrams gauges warning performance

Thermometer lm35 temperature sensor ic fahrenheit millivolt 2008 using circuits voltmeter august diagram gr circuit. Thermostat baseboard voltage fahrenheat heaters chart immersion. Aviasport rotax 503-582 ducati ignition tachometer