fatek plc wiring diagram

Assalamualaikum....Welcome home...: wHat iS PLC...... 16 Pictures about Assalamualaikum....Welcome home...: wHat iS PLC..... : Fatek Wiring Diagram Plc, http://bookingritzcarlton.info/fatek-wiring, Rs 485 Wiring Diagram | schematic and wiring diagram and also Function Block Diagram Plc Tutorial.

Assalamualaikum....Welcome Home...: WHat IS PLC.....

Assalamualaikum....Welcome home...: wHat iS PLC..... amzardabest.blogspot.com

wiring plc welcome diagram

Plc Circuit Diagram

plc circuit diagram www.qariya.info

Rs 485 Wiring Diagram | Schematic And Wiring Diagram

Rs 485 Wiring Diagram | schematic and wiring diagram schematicandwiringdiagram.blogspot.com

programmable instrumentationtools

Safety Plc Wiring Diagram

Safety Plc Wiring Diagram wiringdiagramall.blogspot.com

Wiring Diagram Of Plc - AMKMNS

Wiring Diagram Of Plc - AMKMNS amkmns.blogspot.com

Electronics | Free Full-Text | PLC/HMI-Based Implementation Of A Real

Electronics | Free Full-Text | PLC/HMI-Based Implementation of a Real www.mdpi.com

hmi relays

Plc Automated Control+process

Plc automated control+process www.slideshare.net

Aneka Teknik Listrik - Electrical, By ATC Automation: Introduction To

Aneka Teknik Listrik - Electrical, by ATC Automation: Introduction to anekalistrik.blogspot.com

plc diagram circuit address scheme atc automation aneka listrik teknik electrical same

Wiring Diagram Gallery: Wiring Diagram Of Plc

Wiring Diagram Gallery: Wiring Diagram Of Plc wiringdiagramworkshop.blogspot.com

fatek bookingritzcarlton

Function Block Diagram Plc Tutorial

Function Block Diagram Plc Tutorial coveredinsparkles.blogspot.com

siemens

Wiring Diagram Plc Ladder Diagram - What Is Industrial Application Of

Wiring Diagram Plc Ladder Diagram - What is Industrial application of wiring05.blogspot.com

logic wiring

Fatek Wiring Diagram Plc, Http://bookingritzcarlton.info/fatek-wiring

Fatek Wiring Diagram Plc, http://bookingritzcarlton.info/fatek-wiring www.pinterest.com

fatek getintopc plcs buku ashu chhabra

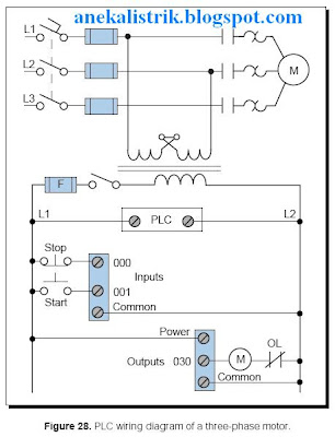
Aneka Teknik Listrik - Electrical, By ATC Automation: Introduction To

Aneka Teknik Listrik - Electrical, by ATC Automation: Introduction to anekalistrik.blogspot.com

plc output diagram motor circuit coil aneka listrik three phase programming atc automation teknik electrical control

Wiring Diagram Gallery: Wiring Diagram Of Plc

Wiring Diagram Gallery: Wiring Diagram Of Plc wiringdiagramworkshop.blogspot.com

wiring 17qq omron

Mitsubishi Servo Motor With Fatek PLC Wiring Diagram Explained - YouTube

Mitsubishi Servo Motor with Fatek PLC wiring diagram Explained - YouTube www.youtube.com

wiring diagram servo motor plc mitsubishi fatek

Kursus Plc, Pelatihan Plc,HMI,SCADA Jakarta,depok,bekasi,tangerang

kursus plc, pelatihan plc,HMI,SCADA jakarta,depok,bekasi,tangerang plccourses.blogspot.com

contactor interlock permissive circuits plc contactors phasa energized

Contactor interlock permissive circuits plc contactors phasa energized. Mitsubishi servo motor with fatek plc wiring diagram explained. Wiring diagram plc ladder diagram